VControll
Aufgabenstellung:
4 Spannungen an einer analogen Modellbahnanlage in Spur N sollen überwacht werden. Die Messwerte der einzelnen Spannung sollen in einem Bereich (hier zwischen 5.0V und 8.5V) jeweils über LED und LC-Display angezeigt werden.
Hardware:
Das ist meine Lösung: Einen Arduino UNO R3 aus der Bastelkiste ein LCD 16×2 oder 20×2 ein paar Widerstände und ein paar LEDs.
Ich den Schaltplan und das Layout in KiCAD gemacht. Das Programm hat sich sehr positiv weiter entwickelt. Jetzt ist es eine echte Alternative und kann sich durchaus mit kommerziellen Produkten messen.
Das ganze Projekt soll als Shield nach den aktuellen Daten der Arduino R3 erstellt werden.
Also erstmal die Buchsenleisten setzten. Für die 4 Spannungen die zu überwachen sind habe ich eine 5 polige Schraubklemme gewählt. Jeweils 1 für die Spannung und eine gemeinsame Masse.
Die Spannungen liegen zwischen 0 und 12V der Arduino kann maximal 5.0V an den Eingängen.
Ich habe 4 Spannungsteiler die im Verhältnis 1 zu 3 dimensioniert werden. Diese Signale gehen an die Analogeingänge A0 bis A3.
Auf der anderen Seite habe ich die Anschlüsse für ein LCD im 4bit Modus und 4 Kanäle für en die LED vorgesehen.
Die LEDs sind zwischen VCC und GND an jeweils einem DIO des Arduino. Wenn der Ausgang LOW ist wird der obere Zweig durchflossen. Die rote LED leuchtet. Wenn der Ausgang HIGH ist fließt der Strom durch die grüne LED.
Noch ein paar Kleinigkeiten an der Versorgung, eine Zener-Diode zum Schutz und ein Elko zum puffern. Das sollte erst einmal ausreichen.
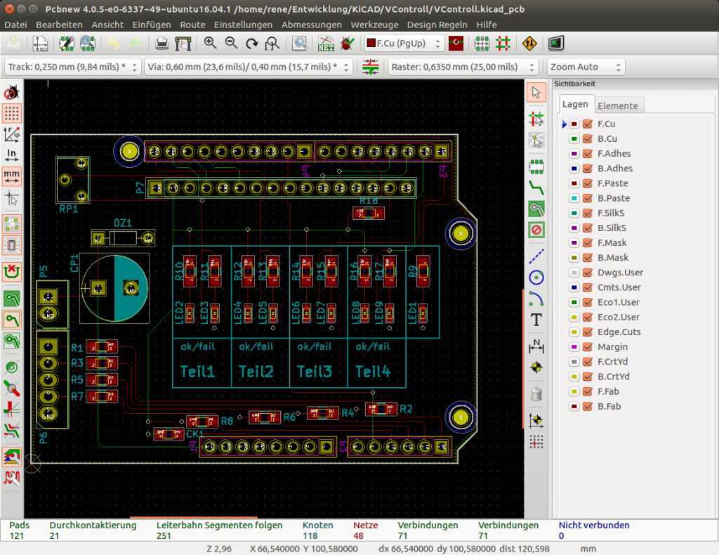
Dann geht es zum Layout. In diesem Bild habe ich mal die Flächenflutung ausgeblendet.
Die mechanischen Daten für ein Ardunio Shield findet man schnell im Netz.
Bauteile platzieren, noch etwas Text in den Bestückungsdruck.
Das Layout ist recht einfach und deshalb schnell per Hand geroutet.
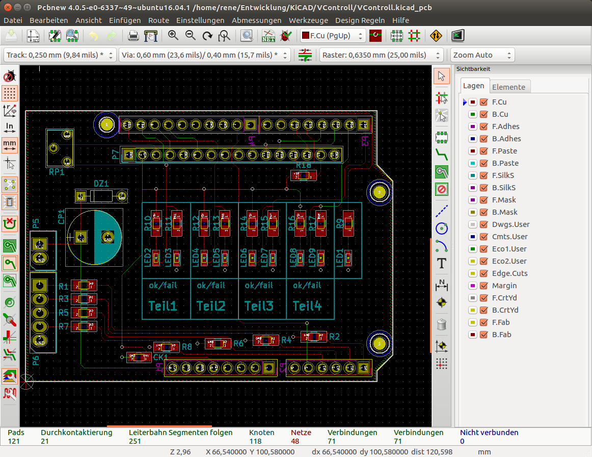
So sieht die Platine aus.
![]() |
![]() |
An Hardware ist das schon alles. Die entsprechende Software findet ihr hier…
Danke für euer Interesse.


Sorry, the comment form is closed at this time.